发布时间:2026-01-13 10:00:33 浏览 次
作者:沙益夫
单位:复旦大学附属肿瘤医院厦门医院 (福建厦门 361026)
〔关键词〕迈瑞;WATO;EX-55;麻醉机;工作原理;故障维修
〔中图分类号〕R197.3 〔文献标识码〕B
〔文章编号〕1002-2376(2025)21-0091-03
麻醉机是现代手术室的核心医疗设备,通过精准控制麻醉气体浓度和通气参数为围手术期患者生命安全提供关键技术支持 [1]。麻醉机以气体浓度控制为核心,结合机械通气与生命体征监测,可精准调控麻醉深度并避免麻醉过度或不足,同时按需调整通气参数、维持血氧平衡、实时监测异常指标、及时预警风险,从而保障手术安全 [2-3]。麻醉机内部集成多系统,通过协同作用实现精准调控:气体输送系统按患者麻醉需求对氧气、笑气进行浓度配比,确保麻醉气体浓度稳定;呼吸回路采用低阻力设计,可高效传输气体且避免泄漏;监测模块可实时采集心率、血压等数据,为个性化呼吸支持提供依据;安全报警装置可在患者出现异常时立即报警,提示医护人员及时给予恰当干预。压力 - 容量双模式通气技术依据患者年龄、体重及肺部状况,可动态调整潮气量、呼吸频率等参数,既可维持麻醉深度的精准又可保障围手术期的安全 [4-5]。但是,由于麻醉机多系统协同运作的复杂性,可能出现系统间联动失效,导致呼吸回路内气体浓度不合规或气体泄露等情况,如不能及时排除故障,会影响手术进程,并增加患者术中、术后的并发症发生风险。基于此,本研究总结并分析了 2 例迈瑞 WATO EX-55 型麻醉机的维修故障,为同行提供参考。
1 迈瑞 WATO EX-55 型麻醉机工作原理
麻醉机通过气体输送系统精准调配氧气与麻醉气体的混合比例,形成安全可控的混合气体;经低阻力呼吸回路输送至患者肺部,同时利用钠石灰罐吸附呼出的二氧化碳(carbon dioxide,CO2),确保气道压力稳定 [6-7]。这一过程通过监测模块实时反馈呼吸参数(如潮气量、氧浓度),形成闭环控制,既能维持有效气体交换,又能避免 CO2 潴留导致的呼吸性酸中毒 [8]。麻醉机采用电子化闭环控制技术,通过供气系统、流量控制系统、蒸发器、呼吸回路、CO2 吸收装置、安全监测系统实现精准调控输出气体浓度和气体量。(1)供气系统:由高压气源(氧气、空气、笑气钢瓶或中央供气)、减压阀、气体管道组成,负责稳定输出 0.3 ~ 0.4 MPa 的医用气体。其中,吸入 CO2 浓 度(fraction of inspired CO2,FiCO2) 应为 0 mmHg(1 mmHg=0.133 kPa)。(2)流量控制系统:包含流量控制阀、流量计(电子、机械式)和比例混合装置,精确调控新鲜气体流量(0.2 ~ 15 L/min)及氧浓度(21%~100%)[9]。(3)蒸发器:基于温度补偿设计原理,将液态麻醉剂(七氟烷、异氟烷等)汽化为一定浓度的麻醉蒸气,输出精度可达 ±0.2 vol%。(4)呼吸回路:由吸气、呼气单向阀、螺纹管、储气囊、APL 阀构成,配备主动式废气排放系统,同时具有顺应性补偿功能。(5)CO2 吸收装置:内置钠石灰或钡石灰密闭罐,钠石灰或钡石灰会与 CO2 产生化学反应,生成水与碳酸盐,从而清除呼出气中的 CO2 [10]。(6)安全监测系统:包括氧浓度传感器、气道压力监测、潮气量监测、麻醉气体浓度监测模块,具有声光报警、智能锁闭等安全防护功能。
2 常见故障维修
2.1 故障一
2.1.1 故障现象
FiCO2 异常,麻醉诱导时 FiCO2 为 0 mmHg,但手术开始数分钟后 FiCO2 升至 7 ~ 8 mmHg。
2.1.2 故障分析与维修
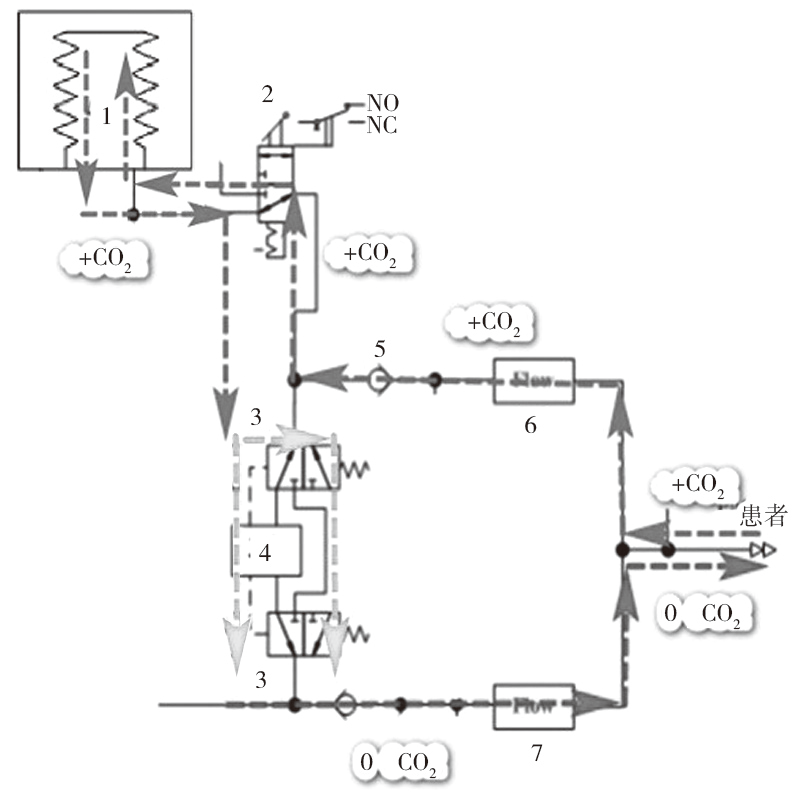
首先,检查通气参数设置,发现通气模式和参数均为常规值,因此判定故障并非由通气参数导致。其次,查看麻醉气体检测模块(anesthesia gas module,AG),打开麻醉机并设为手动模式,抽取空气至 AG 采样管,设备显示 CO2 波形为平线,FiCO2、呼气末 CO2 均为 0 mmHg,排除 AG 故障的可能性。再次,更换钠石灰,故障未消除,排除吸收剂问题。至此怀疑因麻醉机气路故障导致FiCO2 偏高,患者呼出的气体未流经 CO2 吸收器,而直接回流至患者端。查阅设备机型气路图(图 1),发现患者呼出含 CO2 的气流由患者端依次经过呼气流量传感器、呼气阀、手动 / 机控开关、风箱组件,回流至手动 / 机控开关、旁路功能(Bypass)截止阀,然后经 CO2 吸收器吸收CO2,剩余不含 CO2 的气流依次经 Bypass 截止阀、吸气流量传感器回到患者端。Bypass 截止阀功能启用时,含 CO2 的气流将绕过 CO2 吸收器回到患者端。从患者端流出的气体不经 CO2 吸收器直接回流至患者端有以下 3 种可能:(1)呼气阀封闭不严,部分气体直接从该阀流回患者端。(2)Bypass 截止阀功能被触发,部分气体绕过吸收器直接流向患者端。(3)CO2吸收器故障,部分气体虽然进入吸收器但并未接触到 CO2 吸收剂。

注:1 为风箱组件,2 为手动 / 机控开关,3 为 Bypass 截止阀,4 为 CO2 吸收器,5 为呼气阀,6 为呼气流量传感器,7 为吸气流量传感器。
图 1 迈瑞 WATO EX-55 型麻醉机气路图
检查呼气支路单向阀,发现该阀的活瓣体、活瓣罩均无锈蚀,活瓣无变形,活瓣体密封圈完好,排除该阀故障。检查CO2 吸收器,该麻醉机配置的是提升式吸收罐,罐体、罐内支柱、Bypass 支撑件外观均正常。检查 Bypass 组件,迈瑞 WATO EX-55 型麻醉机的 Bypass 组件在吸收罐上方的提升装置内,拆卸提升装置时发现出口密封垫已破损,如图 2 所示。更换出口密封垫,工程师通过手术跟台观察设备情况,未发现 FiCO2 异常,始终为0 mmHg,故障排除。

图 2 Bypass 组件提升装置出口破损的密封垫
2.2 故障二
2.2.1 故障现象
麻醉机机控泄漏测试失败。设备可通过手动泄漏测试,但执行机控泄漏测试时,折叠囊下压后缓慢上升,气道压力降低,测试失败。
2.2.2 故障分析与维修
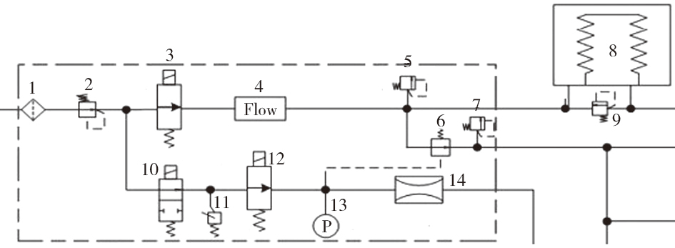
进行机控泄漏测试(启动快速充氧键将折叠囊升至最高时气道压力应为零)。点击“继续”后,PEEP 安全阀、PEEP 阀持续打开以封闭呼气阀,然后打开吸气阀向风箱罩内充气压缩折叠囊,直至气道压力达到约 33 cmH2O(1 cmH2O=0.098 kPa),此时可见折叠囊下压约 2 cm。持续监测气道压力,如不存在泄漏,则折叠囊内、外气压均保持在 33 cmH2O 左右,折叠囊既不上升、也不下降。本故障中,折叠囊持续缓慢上升,同时气道压力持续降低,参考麻醉机气路原理图(图 3)判断,折叠囊外部(即风箱罩及其相关气路部分)存在泄漏。按照由外至内排查原则,首先排查麻醉机主机外气路部分,确认风箱罩安装牢固、风箱罩密封圈无破损。仔细检查风箱罩及其周边部分,发现呼吸回路上盖 2 有裂痕,如图 4 所示。更换患者呼吸回路上盖 2 组件,进行机器泄漏测试,故障排除。

注:1 为过滤器,2 为调压阀,3 为吸气阀,4 为流量传感器,5 为机械过压阀,6 为封闭呼气阀,7 为卸压阀,8 为风箱组件,9 为 Pop-Off 阀,10 为 PEEP 安全阀,11 为压力开关,12 为 PEEP 阀,13 为压力传感器,14 为气阻。
图 3 麻醉机气路原理图

图 4 呼吸回路上盖 2 裂痕
3 讨论
本研究介绍的 2 例麻醉机故障涉及 FiCO2 异常及呼吸回路泄露,如不及时发现并处理,可能会导致手术患者出现高碳酸血症或低碳酸血症,以及潮气量不足,从而引发严重的麻醉并发症。因此,做好设备的维护保养,有助于降低设备故障率,保障医疗安全与诊疗安全 [9-10]。麻醉机作为高风险生命支持设备,其维护保养需严格遵循设备使用规范及医疗设备质控标准,重点围绕安全性、精准性及感染控制等方面。为保障麻醉机的稳定运行,制定合理的维护保养计划至关重要。可安排专业技术人员定期对设备进行全面检查,如每月对气体输送系统的管道进行气密性检测,每季度对麻醉蒸发器进行校准,确保麻醉气体浓度输出精准。同时,优化使用环境。手术室应保持适宜的温度(22 ~ 25 ℃)与湿度(40% ~ 60%),避免因温湿度异常影响设备电子元件性能。从过往维修过程中发现,如因长期未清洁导致灰尘堆积,易造成监测模块传感器故障。针对此类问题,可定期清洁设备外壳与内部滤网,每周至少进行 1 次表面清洁,每半年深度清洁内部组件。通过这些举措,可减少设备故障率,提高设备应用质量,从而延长设备使用寿命,充分发挥麻醉机在医疗工作中的重要作用。
【参考文献】
[1]马晓英,封开升,王燕,等 . 麻醉机临床使用安全管理初探 [J]. 麻醉安全与质控,2021,5(1):33-37.
[2]谢杲 . 通过巡检、电气安全检测、设备性能检测对麻醉机进行质量控制的探究 [J]. 中国医疗设备,2021,36(3):62-65.
[3]游玲,刘旭 . 李丹,等 . PDCA 管理模式在麻醉机质量控制中的应用研究 [J]. 医疗装备,2022,19 :9-12.
[4]代金贞,许巧巧 . 浅谈麻醉机罕少故障与围术期医疗安全 [J]. 医疗卫生装备, 2021,42(8):101-104.
[5]方铁,廖泉兴,刘鸿翔,等. 麻醉设备的关键技术进展及常见故障维修 [J].中国医学装备,2024,21(12):203-206.
[6]刘鑫,谭志文,曾宇宏,等 . 迈瑞 WATO EX-65麻醉机故障维修二例 [J]. 医疗装备,2022,35(7):144-145.
[7]蓝华青,谢子朝,全毅 . 麻醉机蒸发器结构功能及故障分析 [J]. 中国医学装备,2023,20(7):165-168.
[8]刘蕾 . 麻醉机的常见故障维修及日常维护保养 [J]. 医疗装备,2021,34(2):131-132.
[9]黄冠 . 浅析基于预防性维修理念下的医疗设备维修策略 [J]. 中国设备工程,2022(20):36-38.
[10]陈亮,王慧宇,郭大为,等 . PDCA 循环法在提高麻醉机使用安全性中的应用 [J]. 中国医疗设备,2018,33(4):143-146.
内容来源于《医疗装备》杂志,如需转载请注明出处。

欢迎关注《医疗装备》官方公众号